發布日期2017.12.04 ?|
作者:
來源:
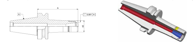
Diebold CentroGrip®高精度筒夾刀柄
Diebold CentroGrip™夾緊系統是一種ER夾頭系統,比帶ER夾頭和螺母的標準刀架具有更高的精度。
CentroGrip™夾頭支架的刀具錐度和夾頭錐度之間的偏差小于1微米。這種精度是高速加工,微型生產,醫療行業和航空航天工業中的許多銑削加工所必需的。 現在,CentroGrip™刀柄的使用者可以使用銑刀加工類似于鏡面的表面。 CentroGrip™夾持系統的優點是即使在非常高的速度下也能達到更好的跳動,而且不平衡程度更低。
Diebold CentroGrip™夾頭固定器易于操作。 一個ER尺寸可以接受多達12個不同的筒夾直徑。 3xD刀具的跳動小于3微米,這是高精度加工的重要因素。
使用獨特的Goldring CentroGrip™高精度筒夾,機床的精度可以顯著提高。 配合Diebold UltraGrip™動力卡盤和JetSleeve™刀柄,銑削加工的精度會更好,生產效率可以輕松提高5%以上。 我們的高精度數控銑床的加工過程經驗證實了這一點。 由于對高質量刀柄的投資極少,機床生產量將發生明顯變化。 而且隨著每次重復的刀具更換,這些高精度刀具夾具的預期使用壽命的節省成本都會增加。
特征
•跳動≤3微米(支架≤1μ,筒夾≤2微米)
•夾緊螺母的夾緊力很高
•與標準ER夾頭卡盤相比,夾緊力增加50%
•夾緊能力
•更長的刀具壽命和更好的工件表面減少振動
•耐熱性高達200°C
•適用于硬化材料的銑削
•由于所有組件均衡均衡,因此不太平衡
•高速對稱設計的夾緊螺母
•刀柄直徑從3到20毫米(1/8“到3/4”)的高度靈活性
•通過帶有滾輪的扳手輕松夾緊
主要應用
•高轉速的銑刀夾緊(HSC)
•HPC切割小夾緊直徑
•精確夾緊鉆頭和鉸刀
•夾緊刀柄較大的工具(絲錐)
•夾緊小鋼和硬質合金小腿
•夾緊研磨工具
CentroGrip ® SK- DIN69871 A-D
G2.5以25,000轉/分精確平衡
Order-No. | SK | d2 | A | 夾頭 | 螺母槽 | 范圍 | rpm |
72.050.485.200 | 30 | 28 | 50 | MR16 | 1–10 | 20000 | |
72.050.485.220 | 28 | 28 | 100 | MR16 | 1–10 | 20000 | |
72.050.485.400 | 40 | 40 | 70 | MR25 | 1–16 | 20000 | |
72.060.485.100 | 40 | 16 | 100 | MR11 | Mini | 1–6 | 18000 |
72.060.485.200 | 28 | 70 | MR16 | 1–10 | 18000 | ||
72.060.485.220 | 28 | 100 | MR16 | 1–10 | 18000 | ||
72.060.485.240 | 28 | 160 | MR16 | 1–10 | 18000 | ||
72.060.485.400 | 40 | 70 | MR25 | 1–16 | 18000 | ||
72.060.485.420 | 40 | 100 | MR25 | 1–16 | 18000 | ||
72.060.485.440 | 40 | 160 | MR25 | 1–16 | 18000 | ||
72.060.485.500 | 50 | 70 | MR32 | 2–20 | 18000 | ||
72.060.485.520 | 50 | 100 | MR32 | 2–20 | 18000 | ||
72.060.485.540 | 50 | 160 | MR32 | 2–20 | 18000 |
CentroGrip ® BT- JISB6339
feingewuchtet G2,5 für 25.000 U/min
Order-No. | BT | d2 | A | 夾頭 | 螺母槽 | 范圍 | rpm |
72.150.485.100 | 30 | 16 | 50 | MR11 | Mini | 1–6 | 20000 |
72.150.485.120 | 16 | 100 | MR11 | Mini | 1–6 | 20000 | |
72.150.485.200 | 28 | 50 | MR16 | 1–10 | 20000 | ||
72.150.485.220 | 28 | 80 | MR16 | 1–10 | 20000 | ||
72.150.485.240 | 28 | 100 | MR16 | 1–10 | 20000 | ||
72.150.485.400 | 40 | 60 | MR25 | 1–16 | 20000 | ||
72.150.485.420 | 40 | 100 | MR25 | 1–16 | 20000 | ||
72.150.485.500 | 50 | 60 | MR32 | 2–20 | 20000 | ||
72.160.485.100 | 40 | 16 | 100 | MR11 | Mini | 1–6 | 18000 |
72.160.485.200 | 28 | 70 | MR16 | 1–10 | 18000 | ||
72.160.485.220 | 28 | 100 | MR16 | 1–10 | 18000 | ||
72.160.485.400 | 40 | 70 | MR25 | 1–16 | 18000 | ||
72.160.485.420 | 40 | 100 | MR25 | 1–16 | 18000 | ||
72.160.485.500 | 50 | 70 | MR32 | 2–20 | 18000 | ||
72.160.485.520 | 50 | 100 | MR32 | 2–20 | 18000 |
CentroGrip ® D-BT
BT mit Plananlage
feingewuchtet G2,5 für 25.000 U/min
Order-No. | D-BT | d2 | A | 夾頭 | 螺母槽 | 范圍 | rpm |
72.152.485.100 | D-BT30 | 16 | 100 | MR11 | Mini | 1-6 | 20000 |
72.152.485.200 | 28 | 50 | MR16 | 1-10 | 20000 | ||
72.152.485.220 | 28 | 100 | MR16 | 1-10 | 20000 | ||
72.152.485.400 | 40 | 60 | MR25 | 1-16 | 20000 | ||
72.152.485.500 | 50 | 60 | MR32 | 2-20 | 20000 | ||
72.162.485.100 | D-BT40 | 16 | 100 | MR11 | Mini | 1-6 | 18000 |
72.162.485.200 | 28 | 70 | MR16 | 1-10 | 18000 | ||
72.162.485.220 | 28 | 100 | MR16 | 1-10 | 18000 | ||
72.162.485.400 | 40 | 70 | MR25 | 1-16 | 18000 | ||
72.162.485.500 | 50 | 70 | MR32 | 2-20 | 18000 |
CentroGrip ® HSK-A DIN69893
feingewuchtet G2,5 für 25.000 U/min
Order-No. | HSK-A | d2 | A | 夾頭 | 螺母槽 | 范圍 | rpm |
72.560.485.200 | 32 | 24 | 60 | MR16 | Mini | 1–10 | 40000 |
72.560.485.220 | 24 | 100 | MR16 | Mini | 1–10 | 40000 | |
72.565.485.200 | 40 | 28 | 60 | MR16 | 1–10 | 34000 | |
72.565.485.220 | 28 | 100 | MR16 | 1–10 | 34000 | ||
72.565.485.400 | 40 | 80 | MR25 | 1–16 | 34000 | ||
72.570.485.200 | 50 | 28 | 100 | MR16 | 1–10 | 30000 | |
72.570.485.400 | 40 | 80 | MR25 | 1–16 | 30000 | ||
72.575.485.100 | 63 | 16 | 100 | MR11 | Mini | 1–6 | 24000 |
72.575.485.200 | 28 | 100 | MR16 | 1–10 | 24000 | ||
72.575.485.210 | 24 | 100 | MR16 | Mini | 1–10 | 24000 | |
72.575.485.400 | 40 | 80 | MR25 | 1–16 | 24000 | ||
72.575.485.500 | 50 | 70 | MR32 | 2–20 | 24000 | ||
72.575.485.520 | 50 | 100 | MR32 | 2–20 | 24000 |
CentroGrip ® HSK-A DIN69893
Lange Form
feingewuchtet G2,5 für 25.000 U/min
Order-No. | HSK-A | d2 | A | 夾頭 | 螺母槽 | 范圍 | rpm |
72.575.485.160 | 63 | 16 | 160 | MR11 | Mini | 1–6 | 24000 |
72.575.485.260 | 24 | 160 | MR16 | Mini | 1–10 | 24000 | |
72.575.485.460 | 40 | 160 | MR25 | 1–16 | 24000 |
CentroGrip ® HSK-E DIN69893
feingewuchtet G2,5 für 25.000 U/min
Order-No. | HSK-E | d2 | A | 夾頭 | 螺母槽 | 范圍 | rpm |
72.552.485.100 | 20 | 16 | 33 | MR11 | Mini | 1–6 | 48000 |
72.556.485.100 | 25 | 16 | 45 | MR11 | Mini | 1–6 | 48000 |
72.556.485.200 | 24 | 45 | MR16 | Mini | 1–10 | 48000 | |
72.563.485.100 | 32 | 16 | 60 | MR11 | Mini | 1–6 | 46000 |
72.563.485.200 | 24 | 55 | MR16 | Mini | 1–10 | 46000 | |
72.568.485.100 | 40 | 16 | 50 | MR11 | Mini | 1–6 | 40000 |
72.568.485.120 | 16 | 100 | MR11 | Mini | 1–6 | 40000 | |
72.568.485.200 | 24 | 55 | MR16 | Mini | 1–10 | 40000 | |
72.568.485.220 | 24 | 80 | MR16 | Mini | 1–10 | 40000 | |
72.568.485.400 | 40 | 65 | MR25 | 1–16 | 40000 | ||
72.573.485.200 | 50 | 28 | 100 | MR16 | 1–10 | 40000 | |
72.573.485.400 | 40 | 70 | MR25 | 1–16 | 40000 |
CentroGrip ® Verlängerungen
Order-No. | D | d2 | L1 | 夾頭 | 螺母槽 | 范圍 |
75.485.200 | 16 | 16 | 150 | MR11 | Mini | 1–6 |
75.485.220 | 16 | 200 | MR11 | Mini | 1–6 | |
75.485.300 | 20 | 24 | 150 | MR16 | Mini | 1–10 |
75.485.320 | 24 | 200 | MR16 | Mini | 1–10 |